I am in the process of converting a remote controlled toy vehicle to an autonomous robotic platform. My initial thought was to just get rid of the existing circuit and add on my own. But after analyzing the control circuit further, I realized I could save some effort by just reusing what was already in place for the movement controls.
The following photo shows the circuit board inside my remote controlled toy truck.

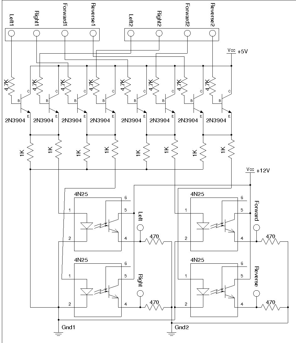
The receiver utilizes a daughter board module that is commonly found in most of the remote controlled toys. There are four control output pins in this case and they control the forward, reverse, left and right movements. The pin layout for different receiver daughter board might be slightly different, but it is clearly marked most of the time.
So the idea is to add an Or gate to each of the control pin so that the remote control would continue to work and at the same time the second set of controls can be used by a microcontroller.
The signal’s voltage level on these pins is not the standard TTL level however. To prevent damages to the TTL circuits, I used four opto-isolators to isolate the two different voltage levels.
The circuit is shown below:

Eight transistors are used to form four or gates (you can also use a chip like CD4081 for this. I don’t have one on hand but have a lot of transistors lying around).
Depending on your specific design and isolation requirements, the two grounds can either be connected or left disconnected.
This circuit can be easily inserted into the existing drive board by disconnecting the four control points mentioned earlier. Here are a few pictures of the multiplexing circuit mounted on the toy truck.
![]() |
![]() |


